首页> 数码> 小电流系统单相接地故障选线彷真模型 matlab simulink

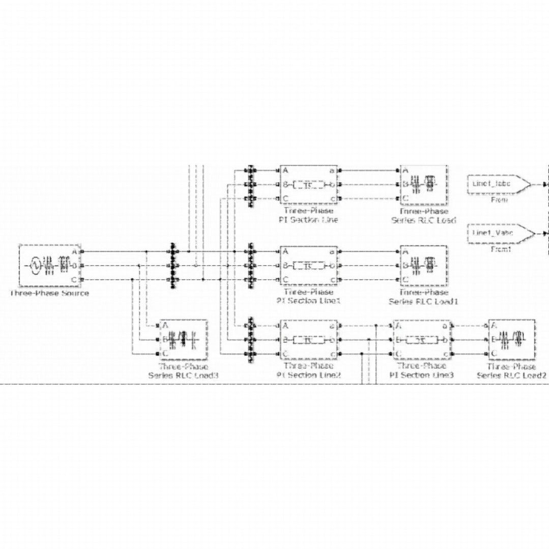
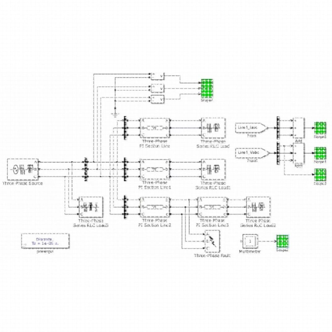
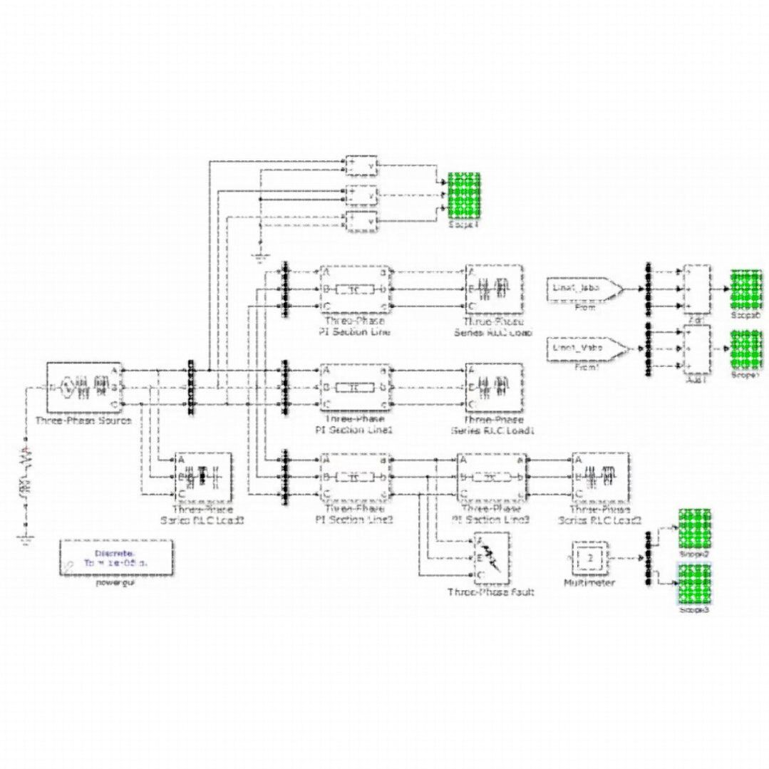
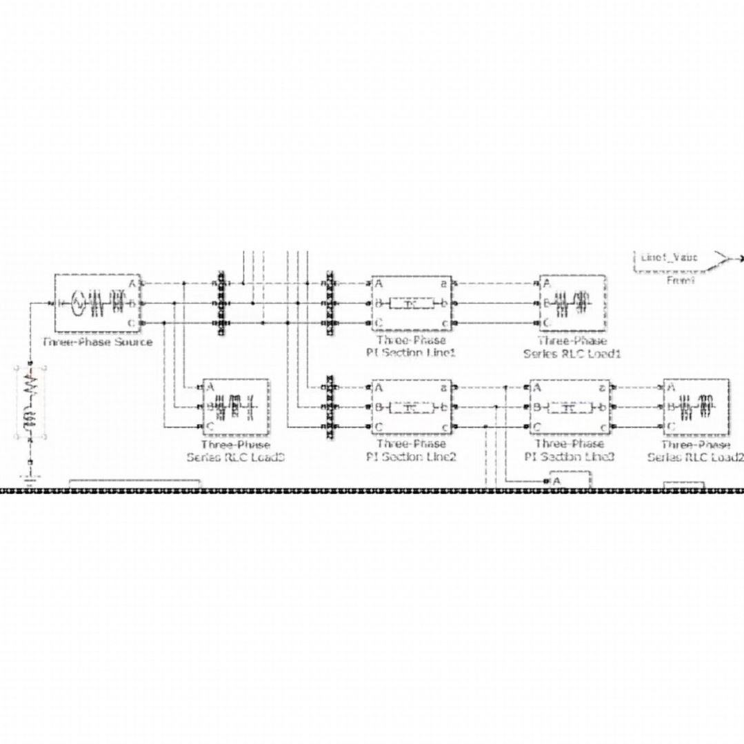
小电流系统单相接地故障选线彷真模型 matlab simulink

官方立减 官方8.8折 淘金币可抵1.31元 官方8.8折 包邮

手机扫一扫购买
顺宁科技 - 已有 0 人购买 - 加入收藏

原价 ¥16.43  11.54 券后价

有效期