请按键盘
Ctrl + D
把多多优省联盟加入收藏夹,大额内部优惠券信息一手掌握!
找券
实时疯抢榜
九块九包邮
店铺街
精选热搜
首页
>
数码
>
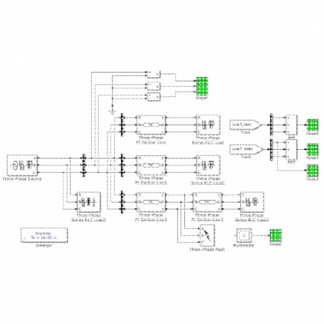
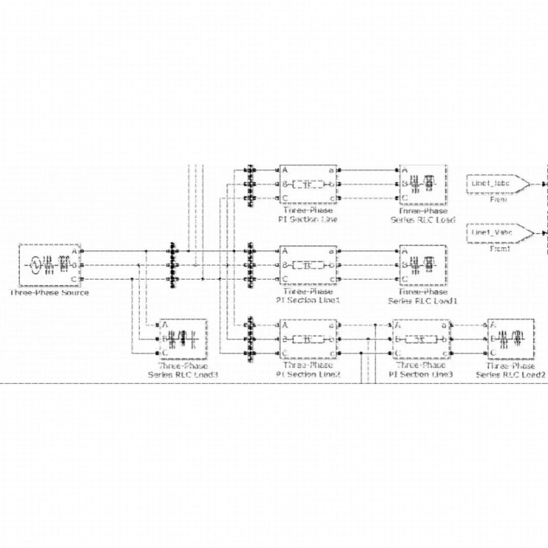
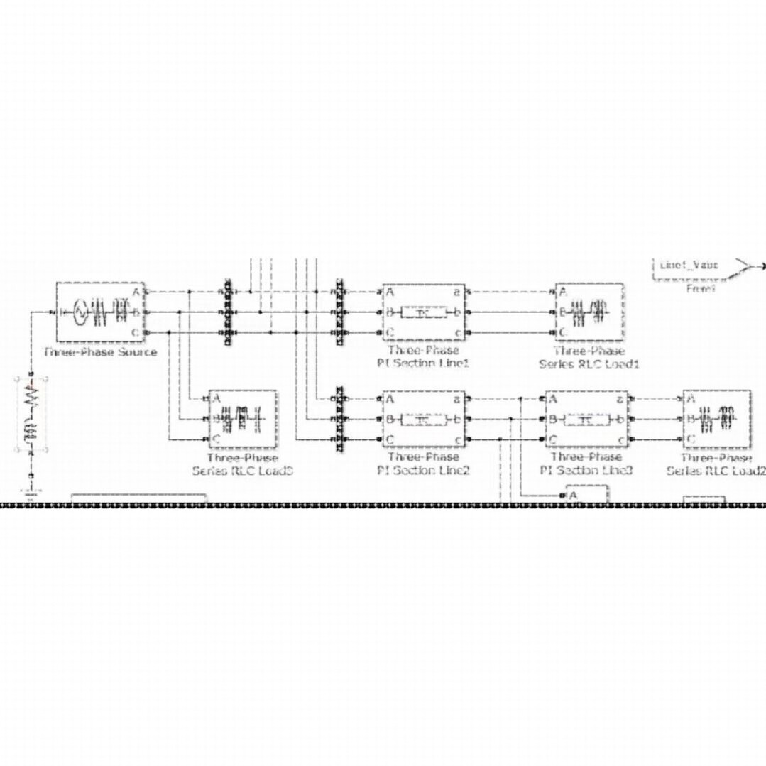
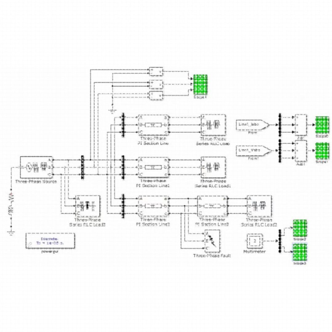
小电流系统单相接地故障选线彷真模型 matlab simulink
小电流系统单相接地故障选线彷真模型 matlab simulink
淘金币可抵1.31元 包邮
手机扫一扫购买
宏星科技
- 已有
0
人购买 -
加入收藏
原价 ¥16.43
¥
13
.14
券后价
有效期
去
购
买
电流
系统
单相
接地
单相接地
故障
选线
模型
matlab
simulink
推荐文案
xxxxxxxxxxxxx
疯抢榜
返回顶部