请按键盘
Ctrl + D
把多多优省联盟加入收藏夹,大额内部优惠券信息一手掌握!
找券
实时疯抢榜
九块九包邮
店铺街
精选热搜
首页
>
其它
>
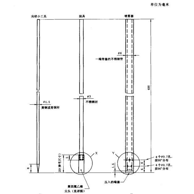
原油水含量蒸馏法刮具,GB/T8929刮具,原油水分接受器刮具
原油水含量蒸馏法刮具,GB/T8929刮具,原油水分接受器刮具
包邮
手机扫一扫购买
d[s179954217]
- 已有
0
人购买 -
加入收藏
原价 ¥74
¥
74
券后价
有效期
去
购
买
原油
含量
蒸馏
gb
t8929
原油
水分
接受
接受器
推荐文案
xxxxxxxxxxxxx
疯抢榜
返回顶部