请按键盘
Ctrl + D
把多多优省联盟加入收藏夹,大额内部优惠券信息一手掌握!
找券
实时疯抢榜
九块九包邮
店铺街
精选热搜
首页
>
数码
>
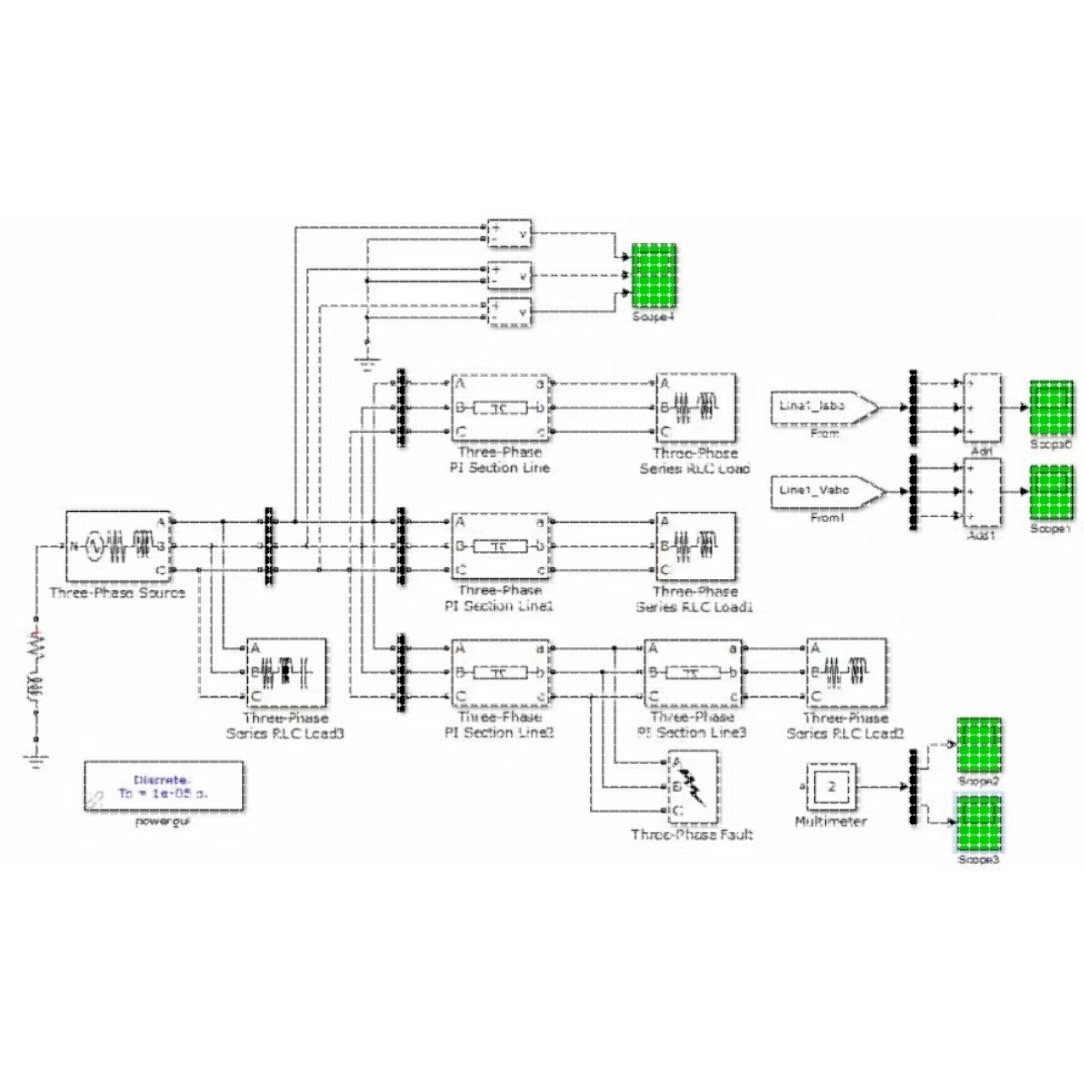
小电流系统单相接地故障选线仿真模型 matlab simulink
小电流系统单相接地故障选线仿真模型 matlab simulink
店铺券 满6减5 淘金币可抵1.22元 5元 包邮
手机扫一扫购买
蒲公英科技
- 已有
0
人购买 -
加入收藏
原价 ¥15.3
¥
7
.24
券后价
有效期
领券立减
5
元
电流
系统
单相
接地
单相接地
故障
选线
仿真
模型
matlab
推荐文案
xxxxxxxxxxxxx
疯抢榜
返回顶部